
MALZEME / Supplies C 45 K Dimensions are in mm
TANIM / Description – A 8 x 7 x 40
| SERIAL NOV |
b |
h |
b | h | R |
Wedge Length (1) | |
| TOLERANCE h9 | TOLERANCE h11 | min | max | ||||
| 1 | 3 | 3 | -0.025 | -0.025 | 0.4 | 6 – 36 | |
| 2 | 4 | 4 | -0.030 | -0.030 | 8 – 45 | ||
| 3 | 5 | 5 | 10 – 56 | ||||
| 4 | 6 | 6 | 0.5 0.4 0.5 |
14 – 70 | |||
| 5 | 7 | 7 | -0.036 | -0.090 | 18 – 90 | ||
| 6 | 8 | 8 | 22 – 110 | ||||
| 7 | 8 | 8 | -0.043 | 28 – 140 | |||
| 8 | 9 | 9 | 36 – 160 | ||||
| 9 | 10 | 10 | 45 – 180 | ||||
| 10 | 11 | 11 | -0.110 | 50 – 200 | |||
| 11 | 12 | 12 | -0.052 | 0.6 | 56 – 220 | ||
| 12 | 14 | 14 | 63 – 250 | ||||
| 13 | 14 | 14 | 70 – 280 | ||||
| 14 | 16 | 16 | 80 – 320 | ||||
| 15 | 18 | 18 | -0.062 | 1.0 | 90 – 360 | ||
| 16 | 20 | 20 | -0.130 | 100 – 400 | |||
| 17 | 22 | 22 | 110 – 400 | ||||
| 18 | 25 | 25 | 125 – 400 | ||||
| 19 | 28 | 28 | 140 – 400 | ||||
| 20 | 32 | 32 | -0.074 | -0.160 | 2 | 160 – 400 | |
| 21 | 32 | 32 | 180 – 400 | ||||
| 22 | 36 | 36 | 200 – 400 | ||||
| 23 | 40 | 40 | 2.5 | 220 – 400 | |||
| Size Digits (I) | 6 8 10 12 14 16 18 20 22 25 28 | 32 36 40 45 50 56 63 70 80 | 90 100 110 125 140 160 180 200 220 250 280 320 360 400 |
| Tolerance | -0.2 | -0.3 | -0.5 |
| ODAK KAMA | TS 147 | |
| Drawing resistance | 850 | 735 |
| Flowing resistance | 750 | 568 |
| Surface roughness | Ra 0.36 – Rt 2.6 | Rt 16 (TS 80) |
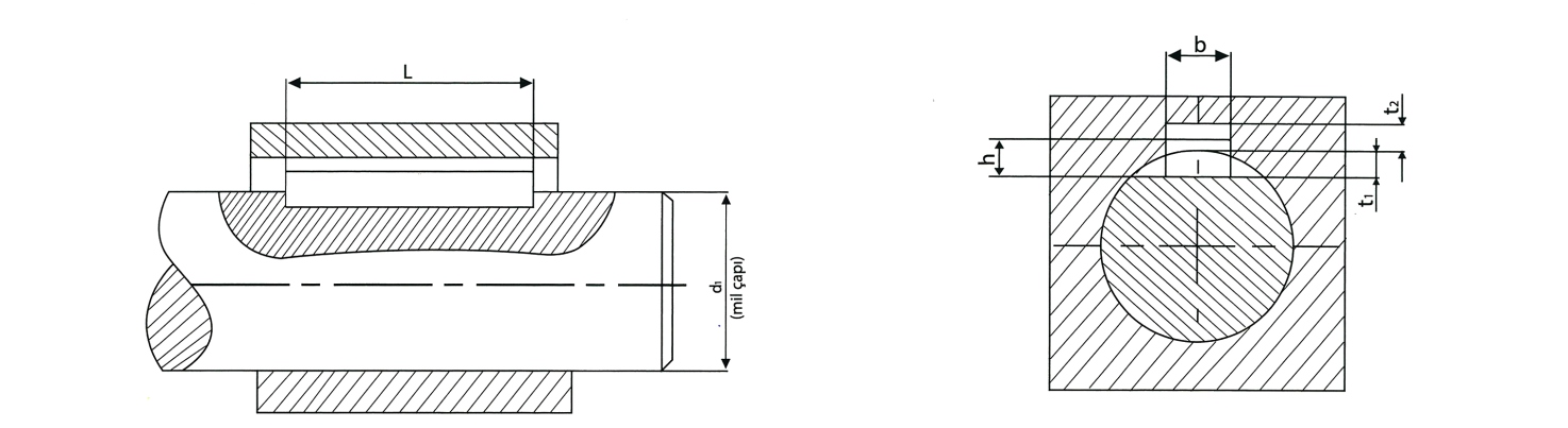
DIN 6885 KEY OPENING DIMENSIONS

| Shaft Diameter (d) min-max | b x h | t 1 | t 2 | TOLERANCE | Wedge Length (1) | |
| t 1 | t 2 | min-max | ||||
| From 8 to 10 | 3 x 3 | 1.8 | 1.4 | +0.1 0 |
6 – 36 |
| From 10 to 12 | 4 x 4 | 2.5 | 1.8 | 8 – 45 | |
| From 12 to 17 | 5 x 5 | 3 | 2.3 | 10 – 56 | |
| From 17 to 22 | 6 x 6 | 3.5 | 2.8 | 14 – 70 | |
| From 22 to 30 | 8 x 7 | 4 | 3.3 | +0.2 0 |
18 – 90 |
| From 30 to 38 | 10 x 8 | 5 | 3.3 | 22 – 110 | |
| From 38 to 44 | 12 x 8 | 5 | 3.3 | 28 – 140 | |
| From 44 to 50 | 14 x 9 | 5.5 | 3.8 | 36 – 160 | |
| From 50 to 58 | 16 x 10 | 6 | 4.3 | 45 – 180 | |
| From 58 to 65 | 18 x 11 | 7 | 4.4 | 50 – 200 | |
| From 65 to 75 | 20 x 12 | 7.5 | 4.9 | 56 – 220 | |
| From 75 to 85 | 22 x 14 | 9 | 5.4 | 63 – 250 | |
| From 85 to 95 | 25 x 14 | 9 | 5.4 | 70 – 280 | |
| From 95 to 110 | 28 x 16 | 10 | 6.4 | 80 – 320 | |
| From 110 to 130 | 32 x 18 | 11 | 7.4 | 90 – 360 | |
| From 130 to 150 | 36 x 20 | 12 | 8.4 | +0.3 0 |
100 – 400 |
| From 150 to 170 | 40 x 22 | 13 | 9.4 | 110 – 400 | |
| From 170 to 200 | 45 x 25 | 15 | 10.4 | 125 – 400 | |
| From 200 to 230 | 50 x 28 | 17 | 11.4 | 140 – 400 | |
| From 230 to 260 | 56 x 32 | 20 | 12.4 | 160 – 400 | |
| From 260 to 290 | 63 x 32 | 20 | 12.4 | 180 – 400 | |
| From 290 to 330 | 70 x 36 | 22 | 14.4 | 200 – 400 | |
| From 330 to 380 | 80 x 40 | 25 | 15.4 | 220 – 400 |
Dimensions are in mm.
Tolerances:
Shaft nest (b) : Fit nested P9 / Wide nest N9
Hub nested (b) : Fit nested P9 / Wide nest N9
Length Steps (l) : 6, 8, 10, 12, 14, 16, 18, 20, 22, 25, 28, 32, 36, 40, 45, 50, 56, 63, 70, 80, 90, 100, 110, 125, 140, 160, 180, 200, 250, 280, 320, 360, 400 mm.

MALZEMW C 45 K TANIM-5 X 6.5 DIMENSIONS ARE IN MM.
| B X H | l | d2 | ||||||
| b | h | min | max | min | max | |||
| 3 x 5 | 0.025 | 0.075 | 12.65 | 13 | 8 | 10 | 0.16 | 0.25 |
| 4 x 5 | 0.030 | 0.090 | 12.65 | 13 | 10 | 12 | ||
| 3 x 6.5 | 0.030 | 0.090 | 15.72 | 16 | 8 | 10 | ||
| 4 x 6.5 | 0.030 | 0.090 | 15.72 | 16 | 10 | 12 | ||
| 5 x 6.5 | 0.030 | 0.090 | 15.72 | 16 | 12 | 17 | ||
| 4 x 7.5 | 0.030 | 0.090 | 18.57 | 19 | 10 | 12 | 0.25 | 0.40 |
| 5 x 7.5 | 0.030 | 0.090 | 18.57 | 19 | 12 | 17 | ||
| 6 x 7.5 | 0.030 | 0.090 | 18.57 | 19 | 17 | 22 | ||
| 5 x 9 | 0.030 | 0.090 | 21.63 | 22 | 12 | 17 | ||
| 6 x 9 | 0.030 | 0.090 | 21.63 | 22 | 17 | 22 | ||
| 8 x 9 | 0.036 | 0.090 | 21.63 | 22 | 22 | 30 | ||
| 6 x 11 | 0.030 | 0.110 | 27.35 | 28 | 17 | 22 | ||
| 8 x 11 | 0.036 | 0.110 | 27.35 | 28 | 22 | 30 | ||
| 10 x 11 | 0.036 | 0.110 | 27.35 | 28 | 30 | 38 |
| b | b1 | t1 | t2 | R2 | d1 | |||||
| TOLERANCE | TOLERANCE | TOLERANCE | min | max | draw 1 | draw 2 | ||||
| 1 | 1 | +0.012 -0.012 |
1 | +0.01 0 |
0.6 | +0.01 0 |
0.16 | 0.08 | More than 3-4 | More than 3-4 |
| 1.5 | 1.5 | 2 | 0.8 | More than 4-5 | More than 4-6 | |||||
| 2 | 2 | 1.8 | 1 | More than 5-6 | More than 6-8 | |||||
| 2 | 2 | 2.9 | More than 6-7 | More than 8-10 | ||||||
| 2.5 | 2.5 | 2.7 | 1.2 | More than 7-8 | More than 10-12 | |||||
| 3 | 3 | 3.8 | +0.02 0 |
1.4 | More than 8-10 | More than 12-15 | ||||
| 3 | 3 | 5.3 | 1.5 | More than 10-12 | More than 15-18 | |||||
| 4 | 4 | +0.015 -0.015 |
5 | 1.8 | 0.25 | 0.16 | 12 th ok -14 | More than 18-20 | ||
| 4 | 4 | 6 | More than 14-16 | More than 20-22 | ||||||
| 5 | 5 | 4.5 | 2.3 | More than 16-18 | More than 22-25 | |||||
| 5 | 5 | 5.5 | More than 18-20 | More than 25-28 | ||||||
| 5 | 5 | 7 | +0.03 0 |
More than 20-22 | More than 28-32 | |||||
| 6 | 6 | 6.5 | 2.8 | More than 22-25 | More than 32-36 | |||||
| 6 | 6 | 7 | 3.3 | +0.02 0 |
More than 25-28 | More than 36-40 | ||||
| 8 | 8 | +0.018 -0.018 |
8 | More than 28-32 | More than 40 | |||||
| 10 | 10 | 10 | 0.40 | 0.25 | More than 32-36 |